L HRO HJ
Конструкция:
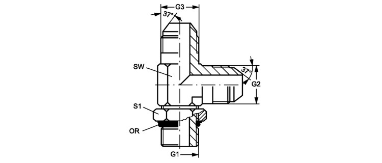
L-образная форма
Материал:
Сталь
Модель:
Ввертный штуцер, прямой
Соединение 1:
Наружная резьба BSP, цилиндрическая
Соединение 2:
Наружная резьба UN/UNF
Соединение 3:
Наружная резьба UN/UNF
Форма уплотнения 1:
Форма G
Форма уплотнения 2:
Наружный конус 74°
Форма уплотнения 3:
Наружный конус 74°
Защита поверхности:
Гальваническое покрытие
И наши менеджеры свяжутся с Вами в ближайшее время!
Ввертный штуцер, L-образный

| Наименование | G1 | G2 + G3 | SW mm |
S1 | OR |
|---|---|---|---|---|---|
| L HRO 02 HJ 04 | G 1/8" -28 | 7/16"-20 UNF | 11 | 16 | 7,65 x 1,78 |
| L HRO 02 HJ 05 | G 1/8" -28 | 1/2"-20 UNF | 14 | 16 | 7,65 x 1,78 |
| L HRO 04 HJ | G 1/4" -19 | 7/16"-20 UNF | 14 | 20 | 10,78 x 2,62 |
| L HRO 04 HJ 05 | G 1/4" -19 | 1/2"-20 UNF | 14 | 20 | 10,78 x 2,62 |
| L HRO 04 HJ 06 | G 1/4" -19 | 9/16"-18 UNF | 14 | 20 | 10,78 x 2,62 |
| L HRO 04 HJ 08 | G 1/4" -19 | 3/4" -16 UNF | 19 | 20 | 10,78 x 2,62 |
| L HRO 06 HJ 04 | G 3/8" -19 | 7/16"-20 UNF | 19 | 24 | 13,94 x 2,62 |
| L HRO 06 HJ 05 | G 3/8" -19 | 1/2"-20 UNF | 19 | 24 | 13,94 x 2,62 |
| L HRO 06 HJ | G 3/8" -19 | 9/16"-18 UNF | 19 | 24 | 13,94 x 2,62 |
| L HRO 06 HJ 08 | G 3/8" -19 | 3/4" -16 UNF | 19 | 24 | 13,94 x 2,62 |
| L HRO 06 HJ 10 | G 3/8" -19 | 7/8" -14 UNF | 22 | 24 | 13,94 x 2,62 |
| L HRO 08 HJ 06 | G 1/2" -14 | 9/16"-18 UNF | 22 | 28 | 17,86 x 2,62 |
| L HRO 08 HJ | G 1/2" -14 | 3/4" -16 UNF | 22 | 28 | 17,86 x 2,62 |
| L HRO 08 HJ 10 | G 1/2" -14 | 7/8" -14 UNF | 22 | 28 | 17,86 x 2,62 |
| L HRO 08 HJ 12 | G 1/2" -14 | 1.1/16" -12 UN | 27 | 28 | 17,86 x 2,62 |
| L HRO 12 HJ 08 | G 3/4" -14 | 3/4" -16 UNF | 27 | 35 | 23,47 x 2,62 |
| L HRO 12 HJ | G 3/4" -14 | 1.1/16" -12 UN | 27 | 35 | 23,47 x 2,62 |
| L HRO 12 HJ 10 | G 3/4" -14 | 7/8" -14 UNF | 27 | 35 | 23,47 x 2,62 |
| L HRO 12 HJ 16 | G 3/4" -14 | 1.5/16" -12 UN | 27 | 35 | 23,47 x 2,62 |
| L HRO 16 HJ 12 | G 1" -11 | 1.1/16" -12 UN | 33 | 43 | 29,74 x 3,53 |
| L HRO 16 HJ 20 | G 1" -11 | 1.5/8" -12 UN | 41 | 43 | 29,74 x 3,53 |
| L HRO 20 HJ 16 | G 1.1/4" -11 | 1.5/16" -12 UN | 41 | 52 | 37,69 x 3,53 |
| L HRO 20 HJ | G 1.1/4" -11 | 1.5/8" -12 UN | 41 | 52 | 37,69 x 3,53 |
| L HRO 20 HJ 24 | G 1.1/4" -11 | 1.7/8" -12 UN | 48 | 52 | 37,69 x 3,53 |
| L HRO 24 HJ | G 1.1/2" -11 | 1.7/8" -12 UN | 48 | 58 | 44,04 x 3,53 |