L SV HJ
Конструкция:
L-образная форма
Материал:
Сталь
Модель:
Штуцер переборочного резьбового соединения
Соединение 1:
Наружная резьба UN/UNF
Соединение 2:
Наружная резьба UN/UNF
Соединение 3:
Наружная резьба UN/UNF
Форма уплотнения 1:
Наружный конус 74°
Форма уплотнения 2:
Наружный конус 74°
Форма уплотнения 3:
Наружный конус 74°
Защита поверхности:
Гальваническое покрытие
И наши менеджеры свяжутся с Вами в ближайшее время!
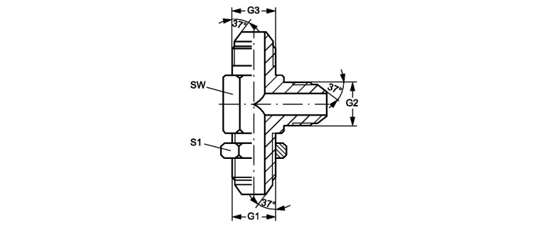
Штуцер переборочного резьбового соединения, L-образный

| Наименование | G1 – G3 | SW mm |
S1 |
|---|---|---|---|
| L SV 04 HJ | 7/16"-20 UNF | 11 | 17 |
| L SV 05 HJ | 1/2"-20 UNF | 14 | 19 |
| L SV 06 HJ | 9/16"-18 UNF | 14 | 21 |
| L SV 08 HJ | 3/4" -16 UNF | 19 | 25 |
| L SV 10 HJ | 7/8" -14 UNF | 22 | 29 |
| L SV 12 HJ | 1.1/16" -12 UN | 27 | 35 |