L HROK HJOF
Конструкция:
L-образная форма
Материал:
Сталь
Модель:
Ввертный штуцер с регулировкой положения
Соединение 1:
Наружная резьба BSP, цилиндрическая
Соединение 2:
Наружная резьба ORFS
Соединение 3:
Наружная резьба ORFS
Форма уплотнения 2:
Плоское уплотнение с кольцом круглого сечения
Форма уплотнения 3:
Плоское уплотнение с кольцом круглого сечения
Защита поверхности:
Гальваническое покрытие
И наши менеджеры свяжутся с Вами в ближайшее время!
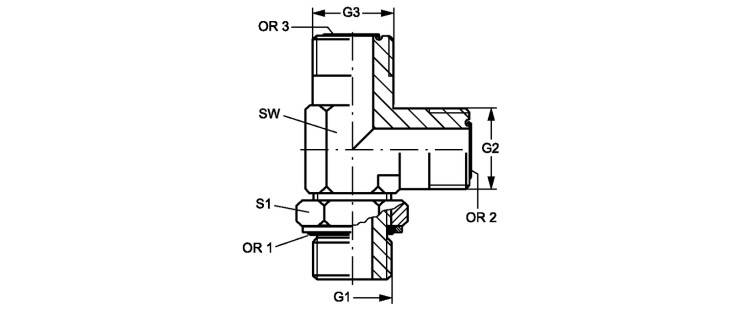
Ввертный штуцер, L-образный

| Наименование | G1 | G2 + G3 | SW mm |
S1 | OR1 | OR2 + OR3 |
|---|---|---|---|---|---|---|
| L HROK 02 HJOF 04 | G 1/8" -28 | 9/16"-18 UNF | 14 | 14 | 8,00 x 2,00 | 7,65 x 1,78 |
| L HROK 04 HJOF | G 1/4" -19 | 9/16"-18 UNF | 19 | 19 | 10,77 x 2,62 | 7,65 x 1,78 |
| L HROK 04 HJOF 06 | G 1/4" -19 | 11/16" -16 UN | 19 | 19 | 10,77 x 2,62 | 9,25 x 1,78 |
| L HROK 06 HJOF | G 3/8" -19 | 11/16" -16 UN | 19 | 22 | 13,94 x 2,62 | 9,25 x 1,78 |
| L HROK 06 HJOF 08 | G 3/8" -19 | 13/16" -16 UN | 19 | 22 | 13,94 x 2,62 | 12,42 x 1,78 |
| L HROK 08 HJOF | G 1/2" -14 | 13/16" -16 UN | 27 | 27 | 17,86 x 2,62 | 12,42 x 1,78 |
| L HROK 08 HJOF 10 | G 1/2" -14 | 1" -14 UNS | 27 | 27 | 17,86 x 2,62 | 15,60 x 1,78 |
| L HROK 12 HJOF 10 | G 3/4" -14 | 1" -14 UNS | 30 | 36 | 23,47 x 2,62 | 15,60 x 1,78 |
| L HROK 12 HJOF | G 3/4" -14 | 1.3/16" -12 UN | 30 | 36 | 23,47 x 2,62 | 18,77 x 1,78 |
| L HROK 16 HJOF 12 | G 1" -11 | 1.3/16" -12 UN | 36 | 41 | 29,75 x 3,53 | 18,77 x 1,78 |
| L HROK 16 HJOF | G 1" -11 | 1.7/16" -12 UN | 36 | 41 | 29,75 x 3,53 | 23,52 x 1,78 |
| L HROK 20 HJOF | G 1.1/4" -11 | 1.11/16" -12 UN | 41 | 50 | 37,69 x 3,53 | 29,87 x 1,78 |
| L HROK 24 HJOF | G 1.1/2" -11 | 2" -12 UN | 50 | 55 | 44,04 x 3,53 | 37,82 x 1,78 |