VHRK 90 VA
- Шланги и РВД
- Фитинги и обжимные муфты
- Переходники и трубные соединения
- Резьбовые трубные соединения
- Прямые
- Резьбовые соединения
- Резьбовые соединения с уплотнительным конусом
- Редукционные резьбовые соединения
- Регулируемые резьбовые соединения - предварительно немонтированные
- Регулируемые резьбовые соединения, предварительно смонтированные
- Ввертные резьбовые соединения
- Переборочные резьбовые соединения
- Навинчиваемые резьбовые соединения
- Съемные редукционные соединения
- Угол 45°
- Угол 90°
- Резьбовые соединения
- Резьбовые соединения с уплотнительным конусом
- Регулируемые резьбовые соединения - предварительно немонтированные
- Регулируемые резьбовые соединения, предварительно смонтированные
- Ввертные резьбовые соединения
- Резьбовые соединения с регулировкой направления
- Переборочные резьбовые соединения
- Т-образная форма
- Резьбовые соединения
- Резьбовые соединения с уплотнительным конусом
- Редукционные резьбовые соединения
- Регулируемые резьбовые соединения - предварительно немонтированные
- Регулируемые резьбовые соединения, предварительно смонтированные
- Ввертные резьбовые соединения
- Резьбовые соединения с регулировкой направления
- L-образная форма
- Форма креста
- Французская серия
- Сварные резьбовые соединения
- Детали для соединения с отбортовкой
- Концевые детали
- Поворотные резьбовые соединения
- Откидные резьбовые соединения
- Обратные клапаны и съемные клапаны
- Паяные соединения
- Отдельные детали
- Прямые
- Переходники
- Переходники ORFS
- Переходники JIC
- Переходники JIS
- Переходники SAE
- Метрические переходники
- Переходники BSP
- Переходники NPT
- Концевые детали
- Проушины
- Для моющего оборудования
- Вставка WEO
- Отдельные детали
- Резьбовые трубные соединения
- Манометры
- Быстроразъёмные соединения
- Бесшовные трубки высокого давления
- Шаровые краны
- Уплотнительные кольца
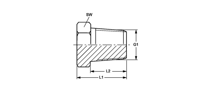
Конструкция:
прямые
Материал:
нержавеющая сталь
Модель:
Резьбовые пробки, с наружным шестигранником
Соединение 1:
Наружная резьба BSPT, коническая
Форма уплотнения 1:
Резьбовое уплотнение
И наши менеджеры свяжутся с Вами в ближайшее время!
Резьбовая пробка с наружным шестигранником

| Наименование | G1 | L1 mm |
L2 mm |
SW mm |
|---|---|---|---|---|
| VHRK 90-1/8 VA | R 1/8" K | 14 | 8 | 12 |
| VHRK 90-1/4 VA | R 1/4" K | 18 | 12 | 14 |
| VHRK 90-3/8 VA | R 3/8" K | 19 | 12 | 17 |
| VHRK 90-1/2 VA | R 1/2" K | 27 | 19 | 22 |
| VHRK 90-3/4 VA | R 3/4" K | 29 | 19 | 27 |
| VHRK 90-1 VA | R 1" K | 29 | 18 | 36 |
| VHRK 90-11/4 VA | R 1.1/4" K | 32 | 20 | 46 |
| VHRK 90-11/2 VA | R 1.1/2" K | 36 | 22 | 50 |
| VHRK 90-2 VA | R 2" K | 40 | 26 | 65 |