VEL MG
Норма:
DIN 2353,ISO 8434-1
Комплект поставки:
Штуцер с накидной гайкой и режущим кольцом
Конструкция:
L-образная форма
Материал:
Латунь
Модель:
Резьбовое соединение с регулировкой положения
Соединение 1:
Метрическая гаечная резьба
Соединение 2:
Метрическая наружная резьба, цилиндрическая
Соединение 3:
Метрическая наружная резьба, цилиндрическая
Форма уплотнения 1:
Патрубок, предварительно монтированный
Форма уплотнения 2:
Внутренний конус 24°
Форма уплотнения 3:
Внутренний конус 24°
И наши менеджеры свяжутся с Вами в ближайшее время!
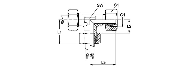
Резьбовое соединение, L-образное

| Наименование | Серия | Наружный Ø трубы mm |
Betriebsdruck | Ø d2 mm |
G1 | L1 mm |
L2 mm |
L3 mm |
SW mm |
S1 |
|---|---|---|---|---|---|---|---|---|---|---|
| VEL NW 04 HL MG | L | 6 | PN 200 | 6 | M 12 x 1,5 | 27 | 12.0 | 26.0 | 12 | 14 |
| VEL NW 06 HL MG | L | 8 | PN 200 | 8 | M 14 x 1.5 | 29 | 14.0 | 27.0 | 12 | 17 |
| VEL NW 08 HL MG | L | 10 | PN 200 | 10 | M 16 x 1.5 | 30 | 15.0 | 28.5 | 14 | 19 |
| VEL NW 10 HL MG | L | 12 | PN 200 | 12 | M 18 x 1,5 | 32 | 17.0 | 29.0 | 17 | 22 |
| VEL NW 13 HL MG | L | 15 | PN 200 | 15 | M 22 x 1.5 | 36 | 21.0 | 32.0 | 19 | 27 |
| VEL NW 16 HL MG | L | 18 | PN 200 | 18 | M 26 x 1,5 | 40 | 23.5 | 35.0 | 24 | 32 |