NVM VA
Норма:
DIN 2353,ISO 8434-1
Комплект поставки:
Штуцер (без накидной гайки и режущего кольца)
Конструкция:
прямые
Материал:
нержавеющая сталь
Модель:
Ввертный штуцер
Соединение 1:
Метрическая наружная резьба, цилиндрическая
Соединение 2:
Патрубок предварительно немонтированный
Форма уплотнения 1:
Форма B
Форма уплотнения 2:
Соединение с режущим кольцом
И наши менеджеры свяжутся с Вами в ближайшее время!
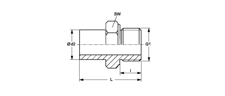
Ввертный штуцер

| Наименование | Серия | Наружный Ø трубы mm |
Betriebsdruck | Ø d2 mm |
G1 | i mm |
L mm |
SW mm |
|---|---|---|---|---|---|---|---|---|
| NVM NW 03 S VA | S | 6 | PN 630 | 6 | M 12 x 1,5 | 12 | 39.0 | 17 |
| NVM NW 04 S VA | S | 8 | PN 630 | 8 | M 14 x 1.5 | 12 | 41.5 | 19 |
| NVM NW 06 S VA | S | 10 | PN 630 | 10 | M 16 x 1.5 | 12 | 44.0 | 22 |
| NVM NW 08 S VA | S | 12 | PN 630 | 12 | M 18 x 1,5 | 12 | 46.0 | 24 |
| NVM NW 10 S VA | S | 14 | PN 630 | 14 | M 20 x 1.5 | 14 | 50.0 | 27 |
| NVM NW 13 S VA | S | 16 | PN 400 | 16 | M 22 x 1.5 | 14 | 51.0 | 27 |
| NVM NW 16 S VA | S | 20 | PN 400 | 20 | M 27 x 2 | 16 | 59.0 | 32 |
| NVM NW 20 S VA | S | 25 | PN 400 | 25 | M 33 x 2 | 18 | 66.0 | 46 |
| NVM NW 25 S VA | S | 30 | PN 400 | 30 | M 42 x 2 | 20 | 51.0 | 50 |
| NVM NW 32 S VA | S | 38 | PN 315 | 38 | M 48 x 2 | 22 | 82.0 | 55 |