NVR
Норма:
DIN 2353,ISO 8434-1
Комплект поставки:
Штуцер (без накидной гайки и режущего кольца)
Конструкция:
прямые
Материал:
Сталь
Модель:
Ввертный штуцер
Соединение 1:
Наружная резьба BSP, цилиндрическая
Соединение 2:
Патрубок предварительно немонтированный
Форма уплотнения 1:
Форма B
Форма уплотнения 2:
Соединение с режущим кольцом
Защита поверхности:
Гальваническое покрытие
И наши менеджеры свяжутся с Вами в ближайшее время!
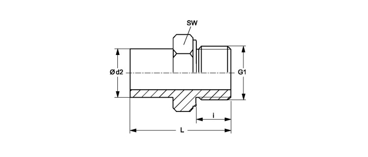
Ввертный штуцер

| Наименование | Серия | Наружный Ø трубы mm |
Betriebsdruck | Ø d2 mm |
G1 | i mm |
L mm |
SW mm |
|---|---|---|---|---|---|---|---|---|
| NVR NW 04 L | L | 6 | PN 315 | 6 | G 1/8" -28 | 8 | 32.5 | 14 |
| NVR NW 06 L | L | 8 | PN 315 | 8 | G 1/4" -19 | 12 | 39.0 | 19 |
| NVR NW 08 L | L | 10 | PN 315 | 10 | G 1/4" -19 | 12 | 39.5 | 19 |
| NVR NW 10 L 1/4 | L | 12 | PN 250 | 12 | G 1/4" -19 | 12 | 40.5 | 19 |
| NVR NW 10 L | L | 12 | PN 315 | 12 | G 3/8" -19 | 12 | 42.0 | 22 |
| NVR NW 10 L 1/2 | L | 12 | PN 250 | 12 | G 1/2" -14 | 14 | 44.5 | 27 |
| NVR NW 13 L 3/8 | L | 15 | PN 250 | 15 | G 3/8" -19 | 12 | 42.0 | 22 |
| NVR NW 13 L | L | 15 | PN 315 | 15 | G 1/2" -14 | 14 | 44.5 | 27 |
| NVR NW 16 L | L | 18 | PN 315 | 18 | G 1/2" -14 | 14 | 45.5 | 27 |
| NVR NW 20 L 1/2 | L | 22 | PN 160 | 22 | G 1/2" -14 | 14 | 46.0 | 27 |
| NVR NW 20 L | L | 22 | PN 160 | 22 | G 3/4" -14 | 16 | 48.5 | 32 |
| NVR NW 25 L | L | 28 | PN 160 | 28 | G 1" -11 | 18 | 53.0 | 41 |
| NVR NW 32 L | L | 35 | PN 160 | 35 | G 1.1/4" -11 | 20 | 62.5 | 50 |
| NVR NW 40 L | L | 42 | PN 160 | 42 | G 1.1/2" -11 | 22 | 69.0 | 55 |
| NVR NW 03 S | S | 6 | PN 400 | 6 | G 1/4" -19 | 12 | 39.0 | 19 |
| NVR NW 04 S | S | 8 | PN 400 | 8 | G 1/4" -19 | 12 | 39.0 | 19 |
| NVR NW 06 S | S | 10 | PN 400 | 10 | G 3/8" -19 | 12 | 44.0 | 22 |
| NVR NW 08 S | S | 12 | PN 400 | 12 | G 3/8" -19 | 12 | 44.0 | 22 |
| NVR NW 08 S 1/2 | S | 12 | PN 400 | 12 | G 1/2" -14 | 14 | 49.0 | 27 |
| NVR NW 10 S | S | 14 | PN 400 | 14 | G 1/2" -14 | 14 | 50.5 | 27 |
| NVR NW 13 S 3/8 | S | 16 | PN 400 | 16 | G 3/8" -19 | 12 | 46.0 | 22 |
| NVR NW 13 S | S | 16 | PN 400 | 16 | G 1/2" -14 | 14 | 51.0 | 27 |
| NVR NW 13 S 3/4 | S | 16 | PN 400 | 16 | G 3/4" -14 | 16 | 54.5 | 32 |
| NVR NW 16 S 1/2 | S | 20 | PN 400 | 20 | G 1/2" -14 | 14 | 55.5 | 27 |
| NVR NW 16 S | S | 20 | PN 400 | 20 | G 3/4" -14 | 16 | 59.0 | 32 |
| NVR NW 20 S | S | 25 | PN 250 | 25 | G 1" -11 | 18 | 66.0 | 41 |
| NVR NW 25 S | S | 30 | PN 160 | 30 | G 1.1/4" -11 | 20 | 71.0 | 50 |
| NVR NW 32 S | S | 38 | PN 160 | 38 | G 1.1/2" -11 | 22 | 82.0 | 55 |