XWSA VA
Норма:
ISO 8434-1
Комплект поставки:
Штуцер (без накидной гайки и режущего кольца)
Конструкция:
Угол 90°
Материал:
нержавеющая сталь
Модель:
Приварное резьбовое соединение
Соединение 1:
Приварной штуцер для метрической трубы
Соединение 2:
Метрическая наружная резьба, цилиндрическая
Форма уплотнения 2:
Внутренний конус 24°
И наши менеджеры свяжутся с Вами в ближайшее время!
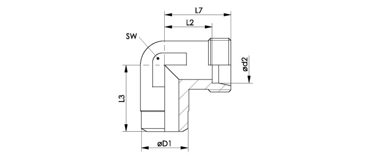
Приварное резьбовое соединение, угол 90°

| Наименование | Серия | Betriebsdruck | Ø d2 mm |
Ø D1 mm |
L2 mm |
L3 mm |
L7 mm |
SW mm |
|---|---|---|---|---|---|---|---|---|
| XWSA NW 04 HL VA | L | PN 315 | 6 | 10 | 12.0 | 19 | 19 | 12 |
| XWSA NW 06 HL VA | L | PN 315 | 8 | 12 | 14.0 | 23 | 21 | 12 |
| XWSA NW 08 HL VA | L | PN 315 | 10 | 14 | 15.0 | 24 | 22 | 14 |
| XWSA NW 10 HL VA | L | PN 315 | 12 | 16 | 17.0 | 25 | 24 | 17 |
| XWSA NW 13 HL VA | L | PN 315 | 15 | 19 | 21.0 | 30 | 28 | 19 |
| XWSA NW 16 HL VA | L | PN 315 | 18 | 22 | 23.5 | 33 | 31 | 24 |
| XWSA NW 20 HL VA | L | PN 160 | 22 | 27 | 27.5 | 37 | 35 | 27 |
| XWSA NW 25 HL VA | L | PN 160 | 28 | 32 | 30.5 | 42 | 38 | 36 |
| XWSA NW 32 HL VA | L | PN 160 | 35 | 40 | 34.5 | 49 | 40 | 41 |
| XWSA NW 40 HL VA | L | PN 160 | 42 | 46 | 40.0 | 57 | 51 | 50 |
| XWSA NW 06 HS VA | S | PN 630 | 10 | 15 | 17.5 | 25 | 25 | 17 |
| XWSA NW 08 HS VA | S | PN 630 | 12 | 17 | 21.5 | 29 | 29 | 17 |
| XWSA NW 13 HS VA | S | PN 400 | 16 | 21 | 24.5 | 33 | 33 | 24 |
| XWSA NW 16 HS VA | S | PN 400 | 20 | 26 | 26.5 | 37 | 37 | 27 |
| XWSA NW 20 HS VA | S | PN 400 | 25 | 31 | 30.0 | 42 | 42 | 36 |
| XWSA NW 25 HS VA | S | PN 400 | 30 | 36 | 35.5 | 49 | 49 | 41 |
| XWSA NW 32 HS VA | S | PN 315 | 38 | 44 | 41.0 | 57 | 57 | 50 |