XNET
Норма:
ISO 8434-1
Комплект поставки:
Штуцер (без накидной гайки и режущего кольца)
Конструкция:
T-образная форма
Материал:
Сталь
Модель:
Резьбовое соединение с регулировкой положения
Соединение 1:
Патрубок предварительно немонтированный
Соединение 2:
Метрическая наружная резьба, цилиндрическая
Соединение 3:
Метрическая наружная резьба, цилиндрическая
Форма уплотнения 1:
Соединение с режущим кольцом
Форма уплотнения 2:
Внутренний конус 24°
Форма уплотнения 3:
Внутренний конус 24°
Защита поверхности:
Гальваническое покрытие
И наши менеджеры свяжутся с Вами в ближайшее время!
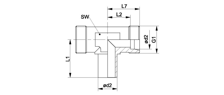
Резьбовое соединение, T-образное

| Наименование | Серия | Наружный Ø трубы mm |
Betriebsdruck | Ø d2 mm |
G1 | L1 mm |
L2 mm |
L7 mm |
SW mm |
|---|---|---|---|---|---|---|---|---|---|
| XNET NW 04 HL | L | 6 | PN 315 | 6 | M 12 x 1,5 | 26.0 | 12.0 | 19 | 12 |
| XNET NW 06 HL | L | 8 | PN 315 | 8 | M 14 x 1.5 | 27.5 | 14.0 | 21 | 12 |
| XNET NW 08 HL | L | 10 | PN 315 | 10 | M 16 x 1.5 | 29.0 | 15.0 | 22 | 14 |
| XNET NW 10 HL | L | 12 | PN 315 | 12 | M 18 x 1,5 | 29.5 | 17.0 | 24 | 17 |
| XNET NW 13 HL | L | 15 | PN 315 | 15 | M 22 x 1.5 | 32.5 | 21.0 | 28 | 19 |
| XNET NW 16 HL | L | 18 | PN 315 | 18 | M 26 x 1,5 | 35.5 | 23.5 | 31 | 24 |
| XNET NW 20 HL | L | 22 | PN 160 | 22 | M 30 x 2 | 38.5 | 27.5 | 35 | 27 |
| XNET NW 25 HL | L | 28 | PN 160 | 28 | M 36 x 2 | 41.5 | 30.5 | 38 | 36 |
| XNET NW 32 HL | L | 35 | PN 160 | 35 | M 45 x 2 | 51.0 | 34.5 | 45 | 41 |
| XNET NW 40 HL | L | 42 | PN 160 | 42 | M 52 x 2 | 56.0 | 40.0 | 51 | 50 |
| XNET NW 03 HS | S | 6 | PN 630 | 6 | M 14 x 1.5 | 27.0 | 16.0 | 23 | 12 |
| XNET NW 04 HS | S | 8 | PN 630 | 8 | M 16 x 1.5 | 27.5 | 17.0 | 24 | 14 |
| XNET NW 06 HS | S | 10 | PN 630 | 10 | M 18 x 1,5 | 30.0 | 17.5 | 25 | 17 |
| XNET NW 08 HS | S | 12 | PN 630 | 12 | M 20 x 1.5 | 31.0 | 21.5 | 29 | 17 |
| XNET NW 10 HS | S | 14 | PN 630 | 14 | M 22 x 1.5 | 35.0 | 22.0 | 30 | 19 |
| XNET NW 13 HS | S | 16 | PN 400 | 16 | M 24 x 1.5 | 36.5 | 24.5 | 33 | 24 |
| XNET NW 16 HS | S | 20 | PN 400 | 20 | M 30 x 2 | 44.5 | 26.5 | 37 | 27 |
| XNET NW 20 HS | S | 25 | PN 400 | 25 | M 36 x 2 | 50.0 | 30.0 | 42 | 36 |
| XNET NW 25 HS | S | 30 | PN 400 | 30 | M 42 x 2 | 55.0 | 35.5 | 49 | 41 |
| XNET NW 32 HS | S | 38 | PN 315 | 38 | M 52 x 2 | 63.0 | 41.0 | 57 | 50 |