XEWOR
Комплект поставки:
Штуцер (без накидной гайки и режущего кольца)
Конструкция:
Угол 90°
Материал:
Сталь
Модель:
Ввертное резьбовое соединение с регулировкой положения
Соединение 1:
Наружная резьба BSP, цилиндрическая
Соединение 2:
Метрическая наружная резьба, цилиндрическая
Форма уплотнения 1:
Форма G
Форма уплотнения 2:
Внутренний конус 24°
Защита поверхности:
Гальваническое покрытие
И наши менеджеры свяжутся с Вами в ближайшее время!
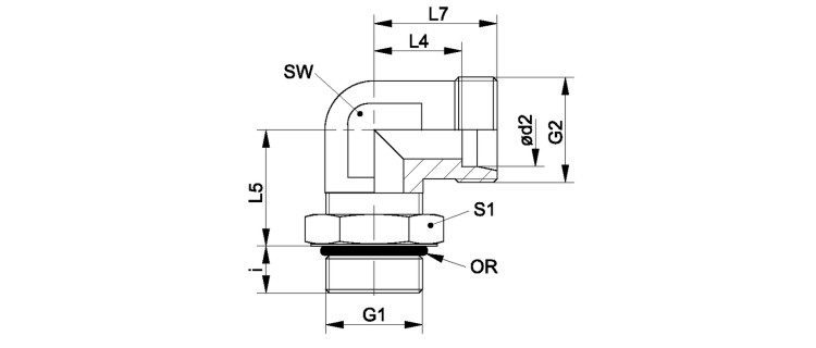
Ввертное резьбовое соединение, угол 90°

| Наименование | Серия | Наружный Ø трубы mm |
Betriebsdruck | Ø d2 mm |
G1 | G2 | i mm |
L4 mm |
L5 mm |
L7 mm |
SW mm |
S1 | OR |
|---|---|---|---|---|---|---|---|---|---|---|---|---|---|
| XEWOR NW 04 HL | L | 6 | PN 250 | 6 | G 1/8" -28 | M 12 x 1,5 | 8 | 12.0 | 21.5 | 19 | 12 | 14 | 8,0 x 1,5 |
| XEWOR NW 06 HL | L | 8 | PN 250 | 8 | G 1/4" -19 | M 14 x 1.5 | 12 | 14.0 | 26.0 | 21 | 14 | 19 | 10,0 x 2,0 |
| XEWOR NW 06 HL 3/8 | L | 8 | PN 250 | 8 | G 3/8" -19 | M 14 x 1.5 | 12 | 17.0 | 28.5 | 24 | 17 | 22 | 14,0 x 2,5 |
| XEWOR NW 08 HL | L | 10 | PN 250 | 10 | G 1/4" -19 | M 16 x 1.5 | 12 | 15.0 | 26.0 | 22 | 14 | 19 | 10,0 x 2,0 |
| XEWOR NW 10 HL | L | 12 | PN 250 | 12 | G 3/8" -19 | M 18 x 1,5 | 12 | 17.0 | 28.5 | 24 | 17 | 22 | 14,0 x 2,5 |
| XEWOR NW 13 HL | L | 15 | PN 250 | 15 | G 1/2" -14 | M 22 x 1.5 | 14 | 21.0 | 33.5 | 28 | 19 | 27 | 18,0 x 3,0 |
| XEWOR NW 16 HL | L | 18 | PN 160 | 18 | G 1/2" -14 | M 26 x 1,5 | 14 | 23.5 | 36.5 | 31 | 24 | 27 | 18,0 x 3,0 |
| XEWOR NW 20 HL | L | 22 | PN 160 | 22 | G 3/4" -14 | M 30 x 2 | 16 | 27.5 | 41.0 | 35 | 27 | 32 | 23,5 x 3,0 |
| XEWOR NW 25 HL | L | 28 | PN 100 | 28 | G 1" -11 | M 36 x 2 | 18 | 30.5 | 45.0 | 38 | 36 | 41 | 29,0 x 3,5 |
| XEWOR NW 32 HL | L | 35 | PN 100 | 35 | G 1.1/4" -11 | M 45 x 2 | 20 | 34.5 | 50.0 | 45 | 41 | 50 | 38,0 x 3,5 |
| XEWOR NW 40 HL | L | 42 | PN 100 | 42 | G 1.1/2" -11 | M 52 x 2 | 22 | 40.0 | 56.0 | 51 | 50 | 55 | 44,0 x 3,5 |
| XEWOR NW 03 HS | S | 6 | PN 630 | 6 | G 1/4" -19 | M 14 x 1.5 | 12 | 15.0 | 26.0 | 22 | 12 | 19 | 10,0 x 2,0 |
| XEWOR NW 04 HS | S | 8 | PN 630 | 8 | G 1/4" -19 | M 16 x 1.5 | 12 | 17.0 | 27.0 | 24 | 14 | 19 | 10,0 x 2,0 |
| XEWOR NW 06 HS | S | 10 | PN 630 | 10 | G 3/8" -19 | M 18 x 1,5 | 12 | 17.5 | 28.5 | 25 | 17 | 22 | 14,0 x 2,5 |
| XEWOR NW 08 HS | S | 12 | PN 630 | 12 | G 3/8" -19 | M 20 x 1.5 | 12 | 21.5 | 32.5 | 29 | 19 | 22 | 14,0 x 2,5 |
| XEWOR NW 10 HS | S | 14 | PN 630 | 14 | G 1/2" -14 | M 22 x 1.5 | 14 | 22.0 | 33.5 | 30 | 19 | 27 | 18,0 x 3,0 |
| XEWOR NW 13 HS | S | 16 | PN 400 | 16 | G 1/2" -14 | M 24 x 1.5 | 14 | 24.5 | 36.5 | 33 | 24 | 27 | 18,0 x 3,0 |
| XEWOR NW 16 HS | S | 20 | PN 400 | 20 | G 3/4" -14 | M 30 x 2 | 16 | 26.5 | 41.0 | 39 | 27 | 32 | 23,5 x 3,0 |
| XEWOR NW 20 HS | S | 25 | PN 400 | 25 | G 1" -11 | M 36 x 2 | 18 | 30.0 | 45.0 | 42 | 36 | 41 | 29,0 x 3,5 |
| XEWOR NW 25 HS | S | 30 | PN 250 | 30 | G 1.1/4" -11 | M 42 x 2 | 20 | 35.5 | 50.0 | 49 | 41 | 50 | 38,0 x 3,5 |
| XEWOR NW 32 HS | S | 38 | PN 250 | 38 | G 1.1/2" -11 | M 52 x 2 | 22 | 41.0 | 56.0 | 57 | 50 | 55 | 44,0 x 3,5 |